The OpenNET Project / Index page

[ новости /+++ | форум | теги | ]

Открытый радар AERIS-10, способный отслеживать объекты на расстоянии до 20 км

16.03.2026 10:56 (MSK)

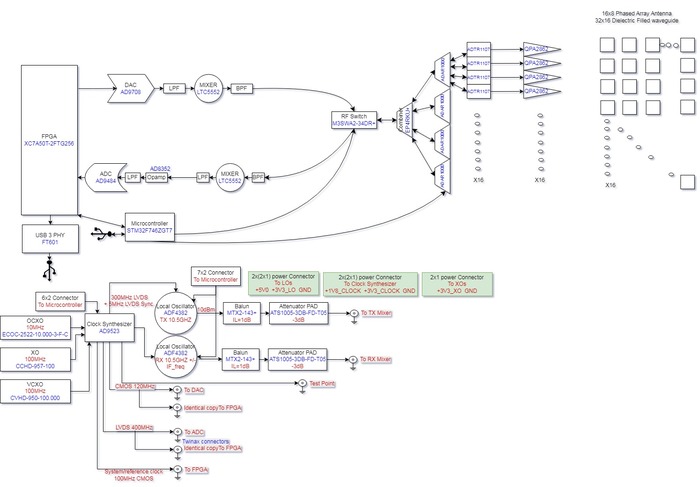
Проект AERIS-10 разработал полностью открытую модульную радиолокационную станцию (радар), которую можно использовать в качестве платформы для проведения экспериментов c фазированными антенными решётками, сжатием импульсов, доплеровской обработкой сигналов и отслеживанием целей. Полные схемы, распайки печатных плат, списки комплектующих (BOM), Gerber-файлы для изготовления плат, макеты для 3D-печати и описания аппаратных блоков на языках Verilog/VHDL распространяются под лицензией CERN-OHL-P (CERN Open Hardware Licence). Код прошивки для микроконтроллера STM32, вспомогательные утилиты на Си и графический интерфейс на Python поставляются под лицензией MIT.

Подготовлено два варианта радиолокационной станции на фазированных антенных решётках - AERIS-10N (Nexus) и AERIS-10E (Extended). Оба варианта используют частоту 10.5 ГГц и используют импульсную линейную частотную модуляцию (LFM). Отличия сводятся к мощности излучения (1Wx16 и 10Wx16), а также использованию массива плоскостных антенн 8x16 и массива щелевых излучателей в диэлектрически заполненном волноводе 32x16, обеспечивающих дальность действия до 3 км и 20 км, соответственно.

Система модульная с раздельными платами управления питанием, генерации частот и RF-блоками. Для обработки сигналов, сжатия импульсов, вычисления скорости объекта при помощи доплеровского быстрого преобразования Фурье, исключения неподвижных объектов (MTI) и обеспечения постоянного уровня ложных тревог (CFAR) задействован FPGA XC7A100T. Управление работой и настройка периферийных устройств осуществляется при помощи микроконтроллера STM32F746xx.

Корректировка положения и ориентации в режиме реального времени обеспечивается при помощи GPS и инерциальных датчиков (акселерометр, гироскоп). Реализовано электронное управление сканирующим лучом в пределах ±45° по высоте и азимуту. Вращение антенны на 360° обеспечивает шаговый двигатель. Возможно одновременное отслеживание движения нескольких объектов. Для управления радаром, наглядного отслеживания движущихся объектов и их сопоставления с картой реализован графический интерфейс.

Сборка радара осуществляется из типовых элементов, имеющихся в широкой продаже. Затраты на чипы и компоненты для изготовления радара в простейшей конфигурации оцениваются приблизительно в 5000 долларов. Для сравнения: стоимость коммерческих радаров того же класса начинается с 250 тысяч долларов.





  1. Главная ссылка к новости (https://x.com/chiefofautism/st...)
  2. OpenNews: Facebook разработал открытую PCIe-карту с атомными часами
  3. OpenNews: Доступен открытый Wi-Fi стек OpenWifi 1.4
  4. OpenNews: Доступен Vortex 2.2, открытый GPGPU на базе архитектуры RISC-V
  5. OpenNews: Программно-аппаратная платформа CHERIoT 1.0 для повышения безопасности кода на языке Си
  6. OpenNews: Микроядро Xous и открытый чип Baochip-1x для создания безопасных встраиваемых систем
Лицензия: CC BY 3.0
Короткая ссылка: https://opennet.ru/64999-radar
Ключевые слова: radar, openhardware
При перепечатке указание ссылки на opennet.ru обязательно


Обсуждение (156) Ajax | 1 уровень | Линейный | +/- | Раскрыть всё | RSS
  • 1.1, Аноним (1), 11:37, 16/03/2026 [ответить] [﹢﹢﹢] [ · · · ]  
  • +46 +/
    Вот это уже хороший, актуальный опенсорс.
     
     
     
    Часть нити удалена модератором

  • 3.9, Аноним (9), 12:04, 16/03/2026 [ответить]  
  • +5 +/
    Столетняя война и Реконкиста передают привет.
     
  • 2.25, Bob (??), 13:13, 16/03/2026 [^] [^^] [^^^] [ответить]  
  • –12 +/
    это для хомячков, актуальное в пару раз дешевле и ~50км было раньше на фронте. Вполне себе опенсурс)

    сейчас же в ход пошли глушилки и дроны по оптике

    Короче: проджект с новости - чисто баловство. Допилят до 100км - даже чисто вдоль границы смысл ставить будет.

     
     
  • 3.70, Аноним (70), 14:36, 16/03/2026 [^] [^^] [^^^] [ответить]  
  • +7 +/
    BBC Micro, ZX Spectrum ... Arduino и т.п. - всё это баловство позволило вкатится огромному количеству энтузиастов  
     
     
  • 4.101, Аноним (101), 17:36, 16/03/2026 [^] [^^] [^^^] [ответить]  
  • +1 +/
    Вообще то этот "радар" следует сравнивать в лучшем случае с калькулятором (даже не програмируемым) : эмуляция древних технологий (40х годов) на современной элементной базе . Понятно , что коментирующие "не в теме" , но ясно же написано что "для проведения экспериментов" . Конструкторам такие "эксперименты" не нужны - следует читать "для развлечения" .
     
     
  • 5.144, Аноним (144), 21:27, 16/03/2026 [^] [^^] [^^^] [ответить]  
  • +2 +/
    В 40-е ещё фазированных решёток не было. Длины волн в тех радарах были метровые, потому что. Следовательно, размеры таких решёток были бы нешутошные. Например, британский радар, который довольно успешно засекал Люфтваффе над Ламаншем, работал на 26 МГц.
     
     
  • 6.158, Аноним (158), 06:50, 17/03/2026 [^] [^^] [^^^] [ответить]  
  • +/
    "Эмуляция на современной элементной базе" - для вас непереводимо ? А конкретно это делает то же , что и радиодальномер на германских ночных истребителях .
     
  • 4.112, Bob (??), 18:33, 16/03/2026 [^] [^^] [^^^] [ответить]  
  • –3 +/
    3км за 5к $ тебя в землю вкатает fpv'шкой, менее чем за минуту. За эти бабки уже глушилка будет)

    Можно на спецфорумах и группах глянуть что и за какие деньги собирают уже сейчас, а не лепить о "вкатиться".

    Давай ещё малинку вспомним, которая первые несколько версий подсадила лапухов, а потом доить начала. А как аналоги появились (тот же orange pi) - то носом воротить снобы начали.

     
     
  • 5.175, Аноним (175), 11:14, 17/03/2026 [^] [^^] [^^^] [ответить]  
  • +4 +/
    У тебя какая-то нездоровая фиксация на fpv-шках. Уже куча сообщений про одно и то же. Не надоело?
     
     
  • 6.179, Аноним (179), 14:20, 17/03/2026 [^] [^^] [^^^] [ответить]  
  • +/
    > У тебя какая-то нездоровая фиксация на fpv-шках. Уже куча сообщений про одно
    > и то же. Не надоело?

    Может чел оттуда.
    В смысле не пишет (пишет он с дивана), а вернулся.
    Обычно оттуда приезжают покалеченные или физически, или еще и на всю голову.

     
  • 3.73, аврварвар (?), 15:05, 16/03/2026 [^] [^^] [^^^] [ответить]  
  • +1 +/
    Для военных смысла нет. А вот для нужд ГО (подать сигнал тревоги на каком-нибудь заводе хотя бы за 2-3 минуты до прилёта) хватит и 20 км.
     
  • 3.88, Товарищ майор (??), 16:26, 16/03/2026 [^] [^^] [^^^] [ответить]  
  • +7 +/
    Тут главное не сказано - дальность обнаружения чего? Дальность обнаружения Ту-160? Или дальность обнаружения бейсбольного мяча?
    Поэтому вот эти вот 3, 20, 50, 100 км - полная фигня.

    Если речь об обнаружении FPV-дрона, то и 500 метров - офигенная дальность.

     
     
  • 4.93, Аноним (93), 16:57, 16/03/2026 [^] [^^] [^^^] [ответить]  
  • +1 +/
    А не будет ли он свистеть на каждую ворону?
     
     
  • 5.95, Аноним (95), 17:05, 16/03/2026 [^] [^^] [^^^] [ответить]  
  • +2 +/
    > А не будет ли он свистеть на каждую ворону?

    Будет.
    Для фильтрации ложных сигналов нужно хорошее R&D и софт.
    Сомнительно, что в репе оно такого уровня.

     
     
  • 6.201, Скотобаза (?), 17:05, 18/03/2026 [^] [^^] [^^^] [ответить]  
  • +/
    Для дронов даже Афар и лчм не нужны. Нужно целеуказание чтоб автоматика по долгу из дробовика шмальнула например
     
  • 3.202, ptr (ok), 17:13, 18/03/2026 [^] [^^] [^^^] [ответить]  
  • +/
    При чём тут фронт? Для местного аэродрома 20 км за глаза хватит для диспетчеризации легкомоторной авиации.
    Ну и как бортовой радар для легкомоторной авиации может оказаться приемлемым даже за $5000.
     
     
  • 4.203, Аноним (203), 17:26, 18/03/2026 [^] [^^] [^^^] [ответить]  
  • +/
    Кто разрешит поставить на местный аэродром несертифицированную хтонь?
    Чтобы она какой-то самолет заглушила помехами?

    Для легкомоторной авиации тот же вопрос.

     
     
  • 5.204, ptr (ok), 19:12, 18/03/2026 [^] [^^] [^^^] [ответить]  
  • +/
    > Кто разрешит поставить на местный аэродром несертифицированную хтонь?
    > Для легкомоторной авиации тот же вопрос.

    Кто запретит? Ни для местного аэродрома, ни для легкомоторной авиации радары не предусмотрены.

    > Чтобы она какой-то самолет заглушила помехами?

    Полоса частот 10000-10500 МГц может использоваться любительской службой. По крайней мере в РФ.

     
     
  • 6.205, Аноним (205), 19:18, 18/03/2026 [^] [^^] [^^^] [ответить]  
  • +/
    Это понятно Но просто поставить штуку, которая излучает в общем случае без разр... большой текст свёрнут, показать
     
     
  • 7.213, ptr (ok), 09:08, 19/03/2026 [^] [^^] [^^^] [ответить]  
  • +/
    > Но просто поставить штуку, которая излучает в общем случае без разрешений нельзя.

    Разрешение на использование частоты. Но сертификаций никаких никто тут не требует.

    Так как диапазон доступен на вторичной основе, то не выдать разрешение могут только в том случае, если он будет в этом месте кому-то мешать. Но половина гигагерца - весьма широкий диапазон и свободную частоту в нем можно найти почти всегда.

    А то, что этот диапазон доступен для любительских служб, Вы и сами процитировали.

     
     
  • 8.216, Аноним (-), 12:42, 19/03/2026 [^] [^^] [^^^] [ответить]  
  • +/
    Не только X-band radar systems generally require certification and licensing, p... текст свёрнут, показать
     
     
  • 9.221, ptr (ok), 08:50, 22/03/2026 [^] [^^] [^^^] [ответить]  
  • +/
    А мы говорим о любительском использовании Так в статье речь не о производстве и... текст свёрнут, показать
     

  • 1.3, Аноним (-), 11:38, 16/03/2026 [ответить] [﹢﹢﹢] [ · · · ]  
  • –1 +/
    Ммм... актуальная разработка, что тут скажешь, с руками оборвут на половине глобуса!
     
     
  • 2.171, Аноним (158), 07:22, 17/03/2026 [^] [^^] [^^^] [ответить]  
  • +/
    На "половине глобуса" настолько богатые студенты для подобного учебного пособия ? А именно им поделка и является . Не всё радар , что им обозвано . :)
     
  • 2.214, INSANEWAVE (ok), 10:19, 19/03/2026 [^] [^^] [^^^] [ответить]  
  • +/
    Я удивлён какое усиленное лобовое бронирование у форумчан что они твоего сарказма не разглядели и даже минусов успели навлеплять...
     

  • 1.7, Аноним (7), 11:59, 16/03/2026 [ответить] [﹢﹢﹢] [ · · · ]  
  • +20 +/
    Ждем открытый танк, открытую ракету, открытые дроны.
     
     
  • 2.8, Аноним (9), 12:00, 16/03/2026 [^] [^^] [^^^] [ответить]  
  • +9 +/
    Последнее уже есть - ardupilot, betaflight
     
  • 2.10, IZh. (?), 12:16, 16/03/2026 [^] [^^] [^^^] [ответить]  
  • +17 +/
    Осталось лицензию OpenWar придумать.
     
     
  • 3.56, Аноним (-), 14:04, 16/03/2026 [^] [^^] [^^^] [ответить]  
  • +/
    > Осталось лицензию OpenWar придумать.

    WTFPL бери. Все равно все будут делать - это. Так что какая разница, так хоть честно написано что и как.

     
  • 3.87, lgpl (?), 15:58, 16/03/2026 [^] [^^] [^^^] [ответить]  
  • +9 +/
    Когда исходники прилетают вместе с изделием
     
  • 2.11, Аноним (93), 12:24, 16/03/2026 [^] [^^] [^^^] [ответить]  
  • +1 +/
    > открытые

    не только open, но и free!

     
     
  • 3.62, Аноним (-), 14:10, 16/03/2026 [^] [^^] [^^^] [ответить]  
  • +/
    >> открытые
    > не только open, но и free!

    Чтобы вот именно free, "as in beer" - как говорится, "приди и возьми" :)

     
  • 2.15, Аноним (-), 12:29, 16/03/2026 [^] [^^] [^^^] [ответить]  
  • +1 +/
    > Ждем открытый танк, открытую ракету, открытые дроны.

    Вообще-то ArduPilot AFAIK таки - пошел в массы. Потому что дешево и сердито. Добро пожаловать в дивный новый мир.

     
  • 2.54, Проходил мимо (?), 14:01, 16/03/2026 [^] [^^] [^^^] [ответить]  
  • +/
    Вот открытая и дешевая хреновина для ПВО от дронов сейчас была бы очень актуальной.
    Я уверен, что любой адекватный директор/собственник завода захочет такое себе купить как только оно появится на рынке.
     
     
  • 3.59, пох. (?), 14:08, 16/03/2026 [^] [^^] [^^^] [ответить]  
  • –1 +/
    ты главное сам не ходи потом мимо того завода. А то и адекватному директору прилетит, и ты заодно кверху брюхом всплывешь.


     
  • 3.63, тоже Аноним (ok), 14:11, 16/03/2026 [^] [^^] [^^^] [ответить]  
  • –1 +/
    Для кого - актуальной? Для тех, кто закупает - ни в коем случае, им откатывать не с чего будет.
    А для простого населения - ну, попробуй попосылать локационные сигналы на 20 км без регистрации в органах... Сразу секундомер поставь, узнаешь, через сколько тебя запеленгуют и возьмут за твой опенсорс.
     
     
  • 4.74, аврварвар (?), 15:13, 16/03/2026 [^] [^^] [^^^] [ответить]  
  • +/
    Не для "простого населения", а для руководства более-менее ценных объектов (заводов, электростанций), куда с достаточной (для принятия мер по ГО) вероятностью может прилететь.

    У такого руководства обычно налажено "взаимопонимание" с органами.

     
     
  • 5.85, тоже Аноним (ok), 15:53, 16/03/2026 [^] [^^] [^^^] [ответить]  
  • +1 +/
    У такого руководства обычно и закупка оборудования по тендеру. Никакой DIY.
     
     
  • 6.91, аврварвар (?), 16:47, 16/03/2026 [^] [^^] [^^^] [ответить]  
  • +/
    Ну, проведут тендер, победит кто нужно.

    И будет не DIY, а какая-нибудь фирма (сына какого-нибудь министра/губернатора) наладит производство "народных радаров с автоматическосиреной тревоги".

     
     
  • 7.94, тоже Аноним (ok), 16:58, 16/03/2026 [^] [^^] [^^^] [ответить]  
  • +1 +/
    > И будет не DIY, а какая-нибудь фирма (сына какого-нибудь министра/губернатора) наладит
    > производство "народных радаров с автоматическосиреной тревоги".

    И на кой ляд этому сынку поставлять - дешевый товар? См. выше.
    Закуп готового в Китае, переклейка шильдиков, бабло в карман. Производить еще какую-то хрень. Зачем?

     
     
  • 8.98, аврварвар (?), 17:23, 16/03/2026 [^] [^^] [^^^] [ответить]  
  • +/
    Спрос на товар есть, рабочая сила есть везде сокращения , конструкция опенсорсн... текст свёрнут, показать
     
  • 6.159, Смузихлеб забывший пароль (?), 06:55, 17/03/2026 [^] [^^] [^^^] [ответить]  
  • +/
    Дело не в самоделках, а в сертификации и прочих "радостях" разного оборудования. Ну спаял кто-то что-то и не за бесплатно ибо микросхемы денег стоят
    Какие у этого изделия гарантии хоть каких-то параметров в каких-то погодных условиях и в течение хоть какого-то срока и стабильность/повторяемость результатов ? И кто по случаю чего будет крайним ?

     
     
  • 7.172, тоже Аноним (ok), 09:36, 17/03/2026 [^] [^^] [^^^] [ответить]  
  • +/
    > Какие у этого изделия гарантии хоть каких-то параметров

    У этого изделия нет заинтересованных в его производстве. Остальное - неважно. Можно вложиться в доработку, сертификацию... но пока проще и выгоднее барыжить китайпромом - это все бла-бла, и только.

     
     
  • 8.196, Смузихлеб забывший пароль (?), 12:32, 18/03/2026 [^] [^^] [^^^] [ответить]  
  • +/
    Сертификация никуда не денется хоть и само изделие мб по изготовлению выйдет дор... текст свёрнут, показать
     
     
  • 9.198, тоже Аноним (ok), 14:43, 18/03/2026 [^] [^^] [^^^] [ответить]  
  • +/
    Никто За отсутствием случая Толку-то обсуждать воздушный замок, если заинте... текст свёрнут, показать
     
  • 2.107, Аноним (107), 18:17, 16/03/2026 [^] [^^] [^^^] [ответить]  
  • +/
    > открытую ракету

    Уже. Стоимость в районе $90. Всё тот же STM32. Всех, кто покупает больше 2 штук STM32 берут за карандаш.

     
     
  • 3.118, onanim (?), 18:53, 16/03/2026 [^] [^^] [^^^] [ответить]  
  • +2 +/
    > берут за карандаш.

    опечатка по Фрейду

     
     
  • 4.136, Аноним (107), 20:17, 16/03/2026 [^] [^^] [^^^] [ответить]  
  • +1 +/
    Это не опечатка.
     
  • 4.149, Аноним (149), 22:51, 16/03/2026 [^] [^^] [^^^] [ответить]  
  • +/
    Вот ещё опечатка в тексте новости: "Gerber-фалы для изготовления плат". 🤣
     
  • 4.182, Аноним (182), 16:35, 17/03/2026 [^] [^^] [^^^] [ответить]  
  • +1 +/
    Не возьмут, карандаш предусмотрительно удалён ;)
     
  • 3.138, Аноним (-), 20:34, 16/03/2026 [^] [^^] [^^^] [ответить]  
  • +/
    Управление на минималках - даже на x51 можно наверное сделать, учитывая на каком... большой текст свёрнут, показать
     
  • 3.160, Смузихлеб забывший пароль (?), 06:56, 17/03/2026 [^] [^^] [^^^] [ответить]  
  • +/
    > Стоимость в районе $90

    дорого. И стм32 для подобного сильно жирно. Хотя, смотря что за "ракета"

     
     
  • 4.181, Марин (?), 15:25, 17/03/2026 [^] [^^] [^^^] [ответить]  
  • +/
    Ну если сверхзвуковая, то наверное даже мало вычислительной мощности будет.
     
     
  • 5.197, Смузихлеб забывший пароль (?), 12:35, 18/03/2026 [^] [^^] [^^^] [ответить]  
  • +/
    угу, гиперзвуковая
    напомню, речь об типо опнтехе где в нынешнем виде и обычный винт пропеллера распечатать - уже сложность
     
  • 2.114, Bob (??), 18:39, 16/03/2026 [^] [^^] [^^^] [ответить]  
  • +1 +/
    Тут если конкретику дать - ответы трут)

    200 км/ч, от 90$ DIY, дальность 50+ км, вес 600-700г, полезная нагрузка до 1400г. В открытом виде есть давно)

    Самолетные дроны на турбинах в разы дороже, но параметры как у ракет.

    Концепция танков претерпела крах в 2022-2023 годах. Только малые пехотные группы)

     
     
  • 3.130, Аноним (130), 19:25, 16/03/2026 [^] [^^] [^^^] [ответить]  
  • +/
    > Концепция танков претерпела крах в 2022-2023 годах. Только малые пехотные группы)

    Это те самые которые дохнут от тех же дронов?
    И которые не эвакуируют раненых, так как если их там пять тел, то ранение даже двух уже критично?

    Звучит как "заваливание мясом, но мелкими кусочками"))


     

  • 1.12, Аноним (12), 12:25, 16/03/2026 [ответить] [﹢﹢﹢] [ · · · ]  
  • +1 +/
    Хм, проект интерсный, но боюсь за применение будут жестко нагибать.
    Т.к cpaть в эфир на лицензируемых частотах просто так не выйдет.

    Перспективнее была бы пассивная система.
    Может кому-то попадались подобные проекты?

     
     
  • 2.14, Аноним (14), 12:27, 16/03/2026 [^] [^^] [^^^] [ответить]  
  • +1 +/
    На этих частотах затухание в пределах прямой видимости и узкая ДН. Другой вопрос, что такая штука привлекает внимание чисто визуально.
     
  • 2.16, Аноним (14), 12:31, 16/03/2026 [^] [^^] [^^^] [ответить]  
  • +1 +/
    > Перспективнее была бы пассивная система.

    Может кому-то попадались подобные проекты?

    Да, были такие проекты еще лет 15 назад. За основу бралось излучение геостационарных спутников. Можно найти, если порыться на форуме radioscanner.

     
  • 2.17, Аноним (-), 12:31, 16/03/2026 [^] [^^] [^^^] [ответить]  
  • +/
    > Т.к cpaть в эфир на лицензируемых частотах просто так не выйдет.

    Когда тебя интересуют такие штуки - у тебя скорее всего есть под боком более ощутимые угрозы чем кто-то когда-то может быть нагнет. Если выбор между тем что может быть когда-то нагнут или допустим дроны превратят тебя в фарш - что же выбрать?!

     
     
  • 3.27, Аноним (-), 13:19, 16/03/2026 [^] [^^] [^^^] [ответить]  
  • +1 +/
    Не так.
    Есть достаточное кол-во гиков-аyтистов в развитых странах в которых сейчас никаких дронов нет.

    Недавно деда из чикаго судили.
    Его раздражали разговоры соседей по вагону метро и вместо того чтобы купить беруши или наушники с шумодавом, он сделал глушилку.

    А сколько "просто шизиков" будут строить подобные девайсы чтобы "искать НЛО", "следить за голубями шпионами" и так далее ведь "правительство скрывает!!!"

     
     
  • 4.28, Аноним (9), 13:23, 16/03/2026 [^] [^^] [^^^] [ответить]  
  • +1 +/
    Для поиска каких-либо сигналов достаточно дешёвого Software Defined Radio, например RTL-SDR.
     
  • 4.47, Аноним (47), 13:54, 16/03/2026 [^] [^^] [^^^] [ответить]  
  • +/
    Но голуби-шпионы - это не выдумка.
     
     
  • 5.64, Аноним (64), 14:18, 16/03/2026 [^] [^^] [^^^] [ответить]  
  • +/
    > Но голуби-шпионы - это не выдумка.

    Имено поэтому тебе нужен радар, чтобы отслеживать их!
    Поблагодори сообщество и беги закупать компоненты.
    Лучше в разных магазинах, чтобы было не так паливно.

     
  • 5.120, Аноним (-), 19:01, 16/03/2026 [^] [^^] [^^^] [ответить]  
  • +/
    На самом деле это ловушка, фальшивка, honeypot.

    Настоящие шпийоны — это высокоинтеллектуальные существа... Вороны, сороки, галки (чисто на подхвате).

     
  • 4.51, Аноним (-), 13:58, 16/03/2026 [^] [^^] [^^^] [ответить]  
  • +/
    Дед ничерта не понимал в борьбе с п сами Надо было - EMP фигачить Произносиш... большой текст свёрнут, показать
     
     
  • 5.72, Аноним (72), 15:05, 16/03/2026 [^] [^^] [^^^] [ответить]  
  • +/
    > Дед ничерта не понимал в борьбе с п...сами!

    Поэтому он решил возглавить?

    > Надо было - EMP фигачить.

    Чтобы еще и электронику поезда вырубить? В котором вот прям сейчас едешь?
    Генитальное решение!

    > врубаешь без ложной скромности - магнетрон, или что там у кого. Хома идет покупать себе новый гаджет.

    Дед едет в больничку доставать магнетрон из задницы.

    > Главное во всей этой схеме - вовремя съе...ться и не быть опознанным.

    После того как его стараниями отрубались звонки в полицию и скорую, искать его начали весьма активно.

     
     
  • 6.89, Аноним (-), 16:36, 16/03/2026 [^] [^^] [^^^] [ответить]  
  • +/
    Если он попался - с планированием операций и реализацией у него явно не очень хо... большой текст свёрнут, показать
     
     
  • 7.96, Аноним (96), 17:13, 16/03/2026 [^] [^^] [^^^] [ответить]  
  • –1 +/
    Ну т е просто желание самоутвердиться, чтобы на мгновение забыть о своей ничтож... большой текст свёрнут, показать
     
     
  • 8.105, Аноним (-), 18:00, 16/03/2026 [^] [^^] [^^^] [ответить]  
  • +/
    Скорее желание напомнить некоторым господам что они в общественных местах - не о... большой текст свёрнут, показать
     
     
  • 9.131, Аноним (-), 19:34, 16/03/2026 [^] [^^] [^^^] [ответить]  
  • +/
    Если они не нарушают закон - то это твои проблемы Если нарушают - пусть их прив... большой текст свёрнут, показать
     
     
     
    Часть нити удалена модератором

  • 11.150, Аноним (150), 23:01, 16/03/2026 [ответить]  
  • +/
    Ну не каждому быть AYEшным отбросом ... текст свёрнут, показать
     
  • 10.151, Аноним (-), 23:55, 16/03/2026 [^] [^^] [^^^] [ответить]  
  • +/
    В принципе, пуск магнетрона на пару секунд тоже ничего особо не нарушает ISM ди... большой текст свёрнут, показать
     
     
  • 11.154, Аноним (154), 00:51, 17/03/2026 [^] [^^] [^^^] [ответить]  
  • +/
    Это придется прокурору объяснять А теперь представь вагон, где у все есть девай... большой текст свёрнут, показать
     
     
  • 12.174, Аноним (174), 10:44, 17/03/2026 [^] [^^] [^^^] [ответить]  
  • +/
    Это в допущении что вообще проблему заметят, опознают и поймают ИМХО, для этого... большой текст свёрнут, показать
     
     
  • 13.178, Аноним (179), 14:19, 17/03/2026 [^] [^^] [^^^] [ответить]  
  • +/
    Опознают и поймают Если ты ездишь на работу каждый день, а не по праздникам То... большой текст свёрнут, показать
     
  • 2.79, Аноним (79), 15:20, 16/03/2026 [^] [^^] [^^^] [ответить]  
  • +/
    Займите некоторую полосу в диапазоне WiFi-6: 5 или 6 ГГц. Можно в отмазку, что это, типа, MIMO WiFi.
     
     
  • 3.90, Аноним (-), 16:43, 16/03/2026 [^] [^^] [^^^] [ответить]  
  • +/
    > отмазку, что это, типа, MIMO WiFi.

    MIMO - wifi. POPAL - ne wifi! Ну или на дроны эти отмазки действуют? :))

     
     
  • 4.145, Аноним (144), 21:30, 16/03/2026 [^] [^^] [^^^] [ответить]  
  • +/
    Это не для дронов, это для ГРЧЦ.
     
     
  • 5.152, Аноним (-), 00:14, 17/03/2026 [^] [^^] [^^^] [ответить]  
  • +/
    > Это не для дронов, это для ГРЧЦ.

    Я бы с такой вундервафлей дронов, пожалуй, больше боялся чем вон тех. Больно уж соблазнительно для дрона выглядит.

     
     
  • 6.176, аврварвар (?), 13:57, 17/03/2026 [^] [^^] [^^^] [ответить]  
  • +/
    Если дрон летит к другой цели, то вряд ли он будет отвлекаться на копеечный самодельный радар.

    А если он летит сюда (и успешно прошёл все эшелоны ПВО), то он всё равно прилетит (но "объектовый" радар хотя бы предупредит за пару минут до прилёта и даст возможность укрыться).

     
     
  • 7.193, Аноним (-), 22:42, 17/03/2026 [^] [^^] [^^^] [ответить]  
  • +/
    > А если он летит сюда (и успешно прошёл все эшелоны ПВО), то
    > он всё равно прилетит (но "объектовый" радар хотя бы предупредит за
    > пару минут до прилёта и даст возможность укрыться).

    Эшелоны ПВО - это громко и пафосно звучит в теории. А на практике как показали натурные эксперименты - какая-нибудь пачка шахидобразных может испортить настроение кому угодно, а что помельче еще и на радаре не особо то светится к тому же.

     
     
  • 8.217, аврварвар (?), 07:49, 20/03/2026 [^] [^^] [^^^] [ответить]  
  • +/
    На практике, настроение портится, в основном, там, где по географическим причина... текст свёрнут, показать
     
     
  • 9.220, Аноним (-), 21:31, 20/03/2026 [^] [^^] [^^^] [ответить]  
  • +/
    На практике - малость погрызают даже, извините, в израиле Которые по ПВО дадут ... большой текст свёрнут, показать
     
  • 2.109, Аноним (107), 18:24, 16/03/2026 [^] [^^] [^^^] [ответить]  
  • +/
    > Перспективнее была бы пассивная система.
    > Может кому-то попадались подобные проекты?

    Да, навалом. Нужен хороший SDR (4xMIMO) и достаточно мощная FM-радиостанция в районе. Гражданские и военные самолёты видно, с оговорками. Трафик на улице тоже, но с ещё большими оговорками. Но по факту, из практических применений только держать азимут на известные излучатели, но не в даунтауне где за небоскрёбами неба не видно и эхо со всех сторон.

     
  • 2.161, Аноним (158), 07:00, 17/03/2026 [^] [^^] [^^^] [ответить]  
  • +/
    В тех странах , где можно свободно купить необходимое железо (не только микросхемы) - нагибать не будут .
     

     ....большая нить свёрнута, показать (29)

  • 1.13, Аноним (14), 12:25, 16/03/2026 [ответить] [﹢﹢﹢] [ · · · ]  
  • +1 +/
    Гораздо интереснее и практичнее был бы пассивный радар, который позволял бы отслеживать перемещение людей внутри квартиры с помощью их WiFi роутеров.
     
     
  • 2.18, Аноним (9), 12:34, 16/03/2026 [^] [^^] [^^^] [ответить]  
  • +/
    https://google.com/search?q=wi-fi+passive+radar+science+paper
     
     
  • 3.21, Аноним (9), 12:43, 16/03/2026 [^] [^^] [^^^] [ответить]  
  • +/
    И вот ещё https://web.archive.org/web/20240424001735/https://repositum.tuwien.at/bitstre
     
  • 2.19, Аноним (19), 12:34, 16/03/2026 [^] [^^] [^^^] [ответить]  
  • +1 +/
    Не удивлюсь, если прилошение яндекс карт в паре с коколонкой алиса что-то подобное уже делает.
     
     
  • 3.61, пох. (?), 14:10, 16/03/2026 [^] [^^] [^^^] [ответить]  
  • –1 +/
    а колонка ему зачем? В самом смартфоне же ж нормальный динамик. И даже отдельных прав не требует.
     
     
  • 4.84, Аноним (79), 15:50, 16/03/2026 [^] [^^] [^^^] [ответить]  
  • +/
    В колонке спрятана ФАР.
     
     
  • 5.100, Аноним (100), 17:28, 16/03/2026 [^] [^^] [^^^] [ответить]  
  • +/
    Микроволновка следит за тобой.
    Нет, это наверное уже шиза.
     
     
  • 6.146, Аноним (144), 21:32, 16/03/2026 [^] [^^] [^^^] [ответить]  
  • +/
    Я свою микроволновку разбирал, сам починял. Проверено, мин нет.
     
  • 5.142, Аноним (142), 20:48, 16/03/2026 [^] [^^] [^^^] [ответить]  
  • +/
    Даже просто по звуку можно определять положение.
     

  • 1.20, Аноним (20), 12:37, 16/03/2026 [ответить] [﹢﹢﹢] [ · · · ]  
  • +6 +/
    Лучше бы что-то в мирных целях.. по типу Опен-МРТ
     
     
  • 2.31, Аноним (142), 13:36, 16/03/2026 [^] [^^] [^^^] [ответить]  
  • +3 +/
    Да даже опен-лазерный принтер нету или опенс-сканер с длинным протяжным фотоэлементом.
     
     
  • 3.46, Аноним (64), 13:53, 16/03/2026 [^] [^^] [^^^] [ответить]  
  • –1 +/
    Их нет потому что они не нужны.
    Почему? Потому что можно купить лазерник за пару сотен баксов с заправкой картриджей.
    Собирать такой дома - только ради удовольстия или по кричине приступа паранойи.
    Денег и усилий будет потрачено на порядок больше.

    А вот разница даже в 3-5 раз в пользу радара-самоделки уже звучит интересно.

     
  • 3.52, Аноним (-), 14:01, 16/03/2026 [^] [^^] [^^^] [ответить]  
  • +/
    > Да даже опен-лазерный принтер нету или опенс-сканер с длинным протяжным фотоэлементом.

    На самом деле есть ряд "смежных" проектов весьма близких к этому. Конструкция лазерника, кстати, ничего сложного из себя не представляет и воспроизвести вот именно фирмвар этого хозяйства - не есть какая-то проблема. Проблема - достичь параметры сравнимые с фабричными, все ж это годами до ума доводилось.

     
  • 2.40, Bob (??), 13:46, 16/03/2026 [^] [^^] [^^^] [ответить]  
  • +/
    Так эта игрушка чисто энтузиастам и в мирных целях) Иначе это счастье потушат fpv дроном за 100$. Сейчас в зоне действия этих радаров - самих операторов дронов выносят, kill zone даже больше
     

  • 1.32, Аноним (32), 13:36, 16/03/2026 [ответить] [﹢﹢﹢] [ · · · ]  
  • +/
    > Затраты ... оцениваются приблизительно в 5000 долларов. Для сравнения стоимость коммерческих радаров того же класса начинается с 250 тысяч долларов.

    Найдет применение в частных исследовательских компаниях для наблюдения за птицами, животными. В государственных не найдет - там чем дороже оборудование, тем лучше.

     
     
  • 2.34, Аноним (142), 13:39, 16/03/2026 [^] [^^] [^^^] [ответить]  
  • +/
    Есть коммерческие радары, которые просто оценивают есть кто-то перед зданием или нет, например на парковке. Из главная цель наземные цели. И сабж ещё и дешёвый.
     
  • 2.35, Аноним (32), 13:39, 16/03/2026 [^] [^^] [^^^] [ответить]  
  • +1 +/
    Вывод сделан на основе анализа цен на ПО. Вместо использования отличного бесплатного ПО по анализу данных покупают за тысячи долларов коммерческое, к тому же считающее неправильно. Но это неважно.
     
  • 2.42, Bob (??), 13:48, 16/03/2026 [^] [^^] [^^^] [ответить]  
  • +/
    Слишком малые дистанции. Надо хотя бы от 100км.
     
     
  • 3.129, Аноним (129), 19:25, 16/03/2026 Скрыто ботом-модератором     [к модератору]
  • +2 +/
     
  • 3.195, Фняк (?), 09:16, 18/03/2026 [^] [^^] [^^^] [ответить]  
  • +/
    Что скажет радио горизонт на ваше надо?
     

  • 1.33, Аноним (142), 13:37, 16/03/2026 [ответить] [﹢﹢﹢] [ · · · ]  
  • –3 +/
    Компьютеры с графическим интерфейсом получили своё развитие лишь потому что они предназначались изначально для отображения информации с радаров.
     
     
  • 2.210, windows девяностодесять (?), 01:33, 19/03/2026 [^] [^^] [^^^] [ответить]  
  • +/
    ага, иначе алиса уже давно бы всех завоевала
     

  • 1.39, Аноним (39), 13:45, 16/03/2026 [ответить] [﹢﹢﹢] [ · · · ]  
  • +1 +/
    >на расстоянии до 20 км

    Очень мало. Разве что поиграться/потыкать палочкой. На практике - ни о чем (угрозы, тревоги, бпла...). Говорю из опыта.

     
     
  • 2.67, Аноним (67), 14:22, 16/03/2026 [^] [^^] [^^^] [ответить]  
  • +/
    >на расстоянии до 20 км
    >Очень мало. Разве что поиграться/потыкать палочкой. На практике - ни о чем.

    Для частного катера/яхты - самое то что надо! Да еще по такой цене.

     
     
  • 3.164, Аноним (158), 07:04, 17/03/2026 [^] [^^] [^^^] [ответить]  
  • +/
    Для частных катеров-яхт продаются (и регистрируются) нормальные радары , нет нужды в таких самоделках .
     
  • 3.218, Аноним (218), 13:38, 20/03/2026 [^] [^^] [^^^] [ответить]  
  • +/
    Если у вас есть яхта, то вы уже член элиты. И не будете ставить себе копеечную самоделку. Мало того, что это недостаточно понтово, так элита ещё и конкурентная среда, и там найдётся много желающих устранить конкурента, списав всё на несчастный случай по вине несертифицированной самоделки.
     
  • 2.77, аврварвар (?), 15:18, 16/03/2026 [^] [^^] [^^^] [ответить]  
  • –2 +/
    20 км - это, как минимум, минута дозвукового полёта. За минуту можно, услышав сирену, убежать в бетонную комнатушку.
     
     
  • 3.97, Аноним (39), 17:22, 16/03/2026 [^] [^^] [^^^] [ответить]  
  • +1 +/
    Это если она совсем рядом.
     
     
  • 4.209, windows девяностодесять (?), 01:32, 19/03/2026 [^] [^^] [^^^] [ответить]  
  • +/
    аккаунт на удаление поставить
     

  • 1.48, Аноним (47), 13:55, 16/03/2026 [ответить] [﹢﹢﹢] [ · · · ]  
  • +1 +/
    Лучше бы опенсорсный автомобильный радар сделали.
     
     
  • 2.50, Аноним (32), 13:57, 16/03/2026 [^] [^^] [^^^] [ответить]  
  • +/
    Нужно будет доказать безопасность для здоровья. Даже малая мощность при узком луче может быть опасной. Не хотелось бы на дороге под ними быть.
     
     
  • 3.71, Аноним (71), 15:04, 16/03/2026 [^] [^^] [^^^] [ответить]  
  • –2 +/
    Может небезопасность для здоровья - это плюс, можно вызывать гаванский синдром? Если бы там частоты пониже были, то электроника от такой мощи выгорела бы, заметили бы гораздо раньше. По-видимому точно на человека нацеливали, а для этого нужна малая длина волны.
     
  • 2.99, Аноним (99), 17:27, 16/03/2026 [^] [^^] [^^^] [ответить]  
  • +1 +/
    >автомобильный радар

    Дорого и для того же LiDAR много помех от осадков.
    Камеры и нейронки будут перспективнее:
    https://www.youtube.com/@WholeMars/videos

     
     
  • 3.111, Аноним (107), 18:29, 16/03/2026 [^] [^^] [^^^] [ответить]  
  • +/
    Лидары, во-первых, значительно подешевели, во-вторых, всё ещё показывают значительно лучшие результаты в сравнении с "камерами и нейронками".   На самом деле лучше, когда оба, но синхронизация всё портит.
     
     
  • 4.208, windows девяностодесять (?), 01:30, 19/03/2026 [^] [^^] [^^^] [ответить]  
  • +/
    да вот фик знает. штраф пришёл - вот вы въезжаете в поле камеры, сотые секунды, вот вы уже тут, сотые секунды - делим расстояние на время и получаем скорость. 86км/ч. камера тупо на опасном перекрёстке, чекать кто пешеходов раскатывает
     
  • 3.162, Аноним (162), 07:01, 17/03/2026 [^] [^^] [^^^] [ответить]  
  • +/
    Речь не о лидаре, а о радаре. Том, что в адаптивном круиз-контроле используется. Даёт 3D картинку с дистанциями по углам не такого хорошего разрешения, как на оптике, но вполне достаточного, чтобы различать другие транспортные средства и строить их модели в виде коробок, зато сканирование чисто электронное, массовых лидаров на чипе на оптических решётках почему-то нет и нет, в FSD лидарах как использовали механическое, так и используют.
     

  • 1.53, Аноним (32), 14:01, 16/03/2026 [ответить] [﹢﹢﹢] [ · · · ]  
  • +3 +/
    > обеспечивающих дальность действия до 3 км и 20 км

    Параметры боевых радаром 30-40-х годов. Имели размеры с кунг (кабина) с антенной метров 10-30, перевозились на автомобилях или были стационарные.

     
     
  • 2.207, windows девяностодесять (?), 01:23, 19/03/2026 [^] [^^] [^^^] [ответить]  
  • +/
    зато сейчас - в каждый дом, что говорится хДД
     

  • 1.75, Аноним (75), 15:16, 16/03/2026 [ответить] [﹢﹢﹢] [ · · · ]  
  • –1 +/
    Он умеет на карте показывать объекты или вот только на этой 2д непонятной картинке с полосками? Где там, удаление, высота, азимут?
     
     
  • 2.78, аврварвар (?), 15:20, 16/03/2026 [^] [^^] [^^^] [ответить]  
  • +/
    А зачем? Это же не для сбивания, а просто для оповещения. "Что-то появилось в небе недалеко от нас, срочно все бегите в убежище".
     
     
  • 3.102, нах. (?), 17:54, 16/03/2026 [^] [^^] [^^^] [ответить]  
  • +1 +/
    > А зачем? Это же не для сбивания, а просто для оповещения. "Что-то
    > появилось в небе недалеко от нас, срочно все бегите в убежище".

    ноги сотрешь от каждой вороны бегать.

     
     
  • 4.117, Аноним (9), 18:51, 16/03/2026 [^] [^^] [^^^] [ответить]  
  • +/
    А вон интересно, насколько сложно отличить в0рону/крупную птuцy от FPV-коптера на радаре?
     
     
  • 5.123, Аноним324 (ok), 19:17, 16/03/2026 [^] [^^] [^^^] [ответить]  
  • +/
    ворона не летает 300 км в час.
     
     
  • 6.128, Аноним (129), 19:22, 16/03/2026 [^] [^^] [^^^] [ответить]  
  • +/
    Я тебе маленький секрет открою, только тссс, военная тайная. Ворону на расстоянии 20км нельзя засечь таким устройством в принципе.
     
     
  • 7.163, Аноним (162), 07:02, 17/03/2026 Скрыто ботом-модератором     [к модератору]
  • +/
     
     
  • 8.165, нах. (?), 07:10, 17/03/2026 Скрыто ботом-модератором     [к модератору]
  • +/
     

  • 1.83, Аноним (83), 15:45, 16/03/2026 [ответить] [﹢﹢﹢] [ · · · ]  
  • +2 +/
    сразу даже не смотря скажу - хрень, надо минимум 64х64 причём это голодный минимум, а более менее это 128х128. Без специализированных дешевых заказных микросхем нереально. Потому нам нужны литографы а не обещания разработок.
     
     
  • 2.92, Аноним (-), 16:50, 16/03/2026 [^] [^^] [^^^] [ответить]  
  • +/
    > микросхем нереально. Потому нам нужны литографы а не обещания разработок.

    Допустим у тебя есть литограф. И дальше - что? У тебя есть хотя-бы фаба выпускающая расходники? Или может - остальные машины и компоненты техпроцесса? Или что с сферическим литографом в вакууме делать потом?

     
     
  • 3.103, нах. (?), 17:55, 16/03/2026 [^] [^^] [^^^] [ответить]  
  • –2 +/
    >> микросхем нереально. Потому нам нужны литографы а не обещания разработок.
    > Допустим у тебя есть литограф. И дальше - что? У тебя есть
    > хотя-бы фаба выпускающая расходники? Или может - остальные машины и компоненты
    > техпроцесса? Или что с сферическим литографом в вакууме делать потом?

    говорят, в Брянске что-то как раз такое было - и литограф, и печка выпекавшая кристаллы.
    Но что-то на днях случилось там вроде... в общем, радар им не очень помог.


     
     
  • 4.106, Аноним (-), 18:10, 16/03/2026 [^] [^^] [^^^] [ответить]  
  • +/
    > говорят, в Брянске что-то как раз такое было - и литограф, и
    > печка выпекавшая кристаллы.

    Там AFAIK только совсем примитивное добро было - с ним попроще. Впрочем после того что я видел - про техпроцессы в этйо локации придется забыть. Надолго, возможно - навсегда.

    > Но что-то на днях случилось там вроде... в общем, радар им не очень помог.

    А там радар был? Потому что работу ПВО никто и не заметил как раз.

     
     
  • 5.139, Аноним (139), 20:42, 16/03/2026 [^] [^^] [^^^] [ответить]  
  • –1 +/
    > Там AFAIK только совсем примитивное добро было

    Не такое уж примитивное - MLA 150 Maskless Aligner.
    Сами aнaлогoвнeтное осилить не смогли.

    > А там радар был? Потому что работу ПВО никто и не заметил как раз.

    ПВО было занято более насущными делами, чем какой-то заводик защищать.
    Напр. постоять на Валдае :)

    Вообще то что они транслировали видосить в риалтайме - это и ржака и позор одновременно.

     
     
  • 6.166, нах. (?), 07:14, 17/03/2026 [^] [^^] [^^^] [ответить]  
  • +/
    > Вообще то что они транслировали видосить в риалтайме - это и ржака

    там дополнительная ржака - они его открыто транслировали. Т.е. все заинтересованные в интересном кино получили прямую трансляцию прямо с первоисточника.

    А певео да, оно _уважаемых_ бережетъ (впрочем, перехватить то что туда прилетело оно вообще вряд ли способно. Жужу безобидную сбить, чтоб над видосиком потом не ржали - это могло.)

     
     
  • 7.173, Аноним (-), 10:10, 17/03/2026 [^] [^^] [^^^] [ответить]  
  • +1 +/
    > там дополнительная ржака - они его открыто транслировали. Т.е. все заинтересованные в
    > интересном кино получили прямую трансляцию прямо с первоисточника.

    В смысле? В сети есть видосы прям с разведовательного дрона. Который нагло висел почти над локацией и вещал как штук 5 жирных ракет падает на крышу и что творится потом.

    А в чем ржака? Завод ВЧ/СВЧ транзюки производил. Которые в рэбы и радары идут кроме всего прочего. Но сапожник оказался без сапог и поток с камеры какой-то фигни придушить - не, вы что. Это ж не телеграм какой! С РЭБ и ПВО тоже не задалось. А теперь - комплектуха для них видимо на деревьях будет расти, как булки.

     
     
  • 8.180, Аноним (180), 14:31, 17/03/2026 [^] [^^] [^^^] [ответить]  
  • +1 +/
    Ну так ты сам ниже и расписал сапожник оказался без сапог Они же даже не пыт... текст свёрнут, показать
     

  • 1.137, Аноним (107), 20:22, 16/03/2026 [ответить] [﹢﹢﹢] [ · · · ]  
  • +/
    Если кому неясно зачем это нужно, узнайте для саморазвития сколько стоит оборудовать радаром частный аэродром для малой авиации. И пока будете узнавать, заодно найдите и посмотрите на карту частных аэродромов в США. Если после этого останутся какие-то вопросы, сочувствую вашему отстутсвию фантазии.
     
     
  • 2.141, Аноним (142), 20:46, 16/03/2026 [^] [^^] [^^^] [ответить]  
  • +3 +/
    Узнай что такое безопасность и сертификация. И не будешь говорить что эту васянскую чушь из новости всерьез будет кто-то использовать.
     
     
  • 3.184, Аноним (184), 17:46, 17/03/2026 [^] [^^] [^^^] [ответить]  
  • +/
    Узнай, что такое частный аэродром в США. Потом обсудим кто тут чушь.
     
     
  • 4.188, Аноним (188), 17:59, 17/03/2026 [^] [^^] [^^^] [ответить]  
  • +/
    > Узнай, что такое частный аэродром в США. Потом обсудим кто тут чушь.

    А ты почитай про FCC Regulation.
    Или хотя бы вот это arrl.org/part-97-text

    И уже потом будешь куракекать про частные аэродромы.

     
  • 2.167, Аноним (158), 07:15, 17/03/2026 [^] [^^] [^^^] [ответить]  
  • +/
    Сравните что может самый дешёвый НОРМАЛЬНЫЙ радар и эта игрушка для студиозусов - тогда и вспоминайте об аэродромах . Все читатели купились на слово радар , вместо внимательного изучения работы , и воображение разыгралось .
     
     
  • 3.185, Аноним (184), 17:47, 17/03/2026 [^] [^^] [^^^] [ответить]  
  • +/
    После допила напильником разрулить одномоторные самолёты на фестивале в поле хватит. А о большем те ребята и не мечтают.
     
  • 2.168, нах. (?), 07:18, 17/03/2026 [^] [^^] [^^^] [ответить]  
  • +/
    > Если кому неясно зачем это нужно, узнайте для саморазвития сколько стоит оборудовать
    > радаром частный аэродром для малой авиации.

    там цена не радара а тех самых сертификатов. Ну и сканирующий аэродрому мало полезен, там радары с сопровождением объектов - чтоб можно было вовремя развести желающих встретиться где-та пасередине.


     
     
  • 3.183, Аноним (184), 17:45, 17/03/2026 [^] [^^] [^^^] [ответить]  
  • +/
    Давно на частном аэродроме в США приземлялся? Я на прошлой неделе. Там из следящего оборудования только мужик с биноклем, блокнотом и ручкой. И два воки-токи: один с пилотом говорить, второй --  орать чтобы цессну с поля убрали. Какие сертификации, ты о чём? Это тебе не Европа и не пост-совок, где чтобы на три метра от земли подпрыгнуть нужно разрешение от еврокомиссии по подпрыгам получать. Заявительная система, PPL, и лети, сокол.
     
     
  • 4.187, Аноним (188), 17:54, 17/03/2026 [^] [^^] [^^^] [ответить]  
  • +/
    И давно для установки радаров стала "Заявительная система"
    То что "мужик с биноклем, блокнотом и ручкой" излучает только гордость за мурику и немного метана это понятно.

    А вот не сертифицированный хлам фигачащий радиоизлучение куда бог пошлет может вызывать возбужение.
    Например FCC у которое есть требование к Licensing и Regulations.

    Возможно в какой-то cpake мира, реднек может поставить эту штуку и ему некоторое время ничего не будет.
    Но это не точно.

     
  • 4.194, Аноним (-), 23:10, 17/03/2026 [^] [^^] [^^^] [ответить]  
  • +/
    > Давно на частном аэродроме в США приземлялся? Я на прошлой неделе. Там
    > из следящего оборудования только мужик с биноклем, блокнотом и ручкой.

    Однако с FCC штуку вещающую на лицензируемых частотах тебе все ж наверное придется согласовать как-то и получить лицензию? Или по какому FCC Rule это работать будет? Мужик с биноклем - в эфир радиоволны не вещает и потому он FCC похрену.

     

  • 1.153, Аноним (153), 00:48, 17/03/2026 [ответить] [﹢﹢﹢] [ · · · ]  
  • +/
    А есть такой же, но с перламутровыми пугови^W^W^W работающий в полностью пассивном режиме?
     
     
  • 2.155, Аноним (83), 01:42, 17/03/2026 [^] [^^] [^^^] [ответить]  
  • +1 +/
    керберос/кракен SDR. Тарелка старлинка наверно очень близка к идеалу.
     
     
  • 3.169, нах. (?), 07:18, 17/03/2026 [^] [^^] [^^^] [ответить]  
  • +/
    > керберос/кракен SDR. Тарелка старлинка наверно очень близка к идеалу.

    и ненужных поди по полям дофига валяется...

     
     
  • 4.186, Аноним (184), 17:49, 17/03/2026 [^] [^^] [^^^] [ответить]  
  • –1 +/
    На ебее можно купить. Хотя вам наверное не можно.
     
  • 3.189, Аноним (153), 19:06, 17/03/2026 [^] [^^] [^^^] [ответить]  
  • +/
    Прикольная штука, по описанию.
     

  • 1.200, biundug (?), 16:36, 18/03/2026 [ответить] [﹢﹢﹢] [ · · · ]  
  • +/
    Почти готовая тарелка для отслеживания спутников старлинка, маяковые сигналы принимать можно. :)
     
     
  • 2.215, Аноним (-), 12:19, 19/03/2026 [^] [^^] [^^^] [ответить]  
  • +/
    > Почти готовая тарелка для отслеживания спутников старлинка, маяковые
    > игналы принимать можно. :)

    Немного не тот уровень технологий. Т.е. это очень сильно упрощенный диалект идеи. В тарелке старлинка набита куча заказных ASIC beamformer от STMicro. Проблемка только одна: это заказные чипы сделанные "специально для фирмы элонмаска". Достаточно большой кастомер чтобы STMicro развернулось персонально в его сторону и сделало - лично для него.

    А вот где ты что-либо сравнимое возьмешь...

     

     Добавить комментарий
    Имя:
    E-Mail:
    Текст:



    Партнёры:
    PostgresPro
    Inferno Solutions
    Hosting by Hoster.ru
    Хостинг:

    Закладки на сайте
    Проследить за страницей
    Created 1996-2026 by Maxim Chirkov
    Добавить, Поддержать, Вебмастеру